Proper switch wiring for dual LEDs

General discussion area for tube amps.

Moderators: pompeiisneaks, Colossal

Post Reply
User avatar
ViperDoc
Posts: 1247
Joined: Tue Dec 24, 2019 2:21 am
Location: Idaho

Proper switch wiring for dual LEDs

Post by ViperDoc »

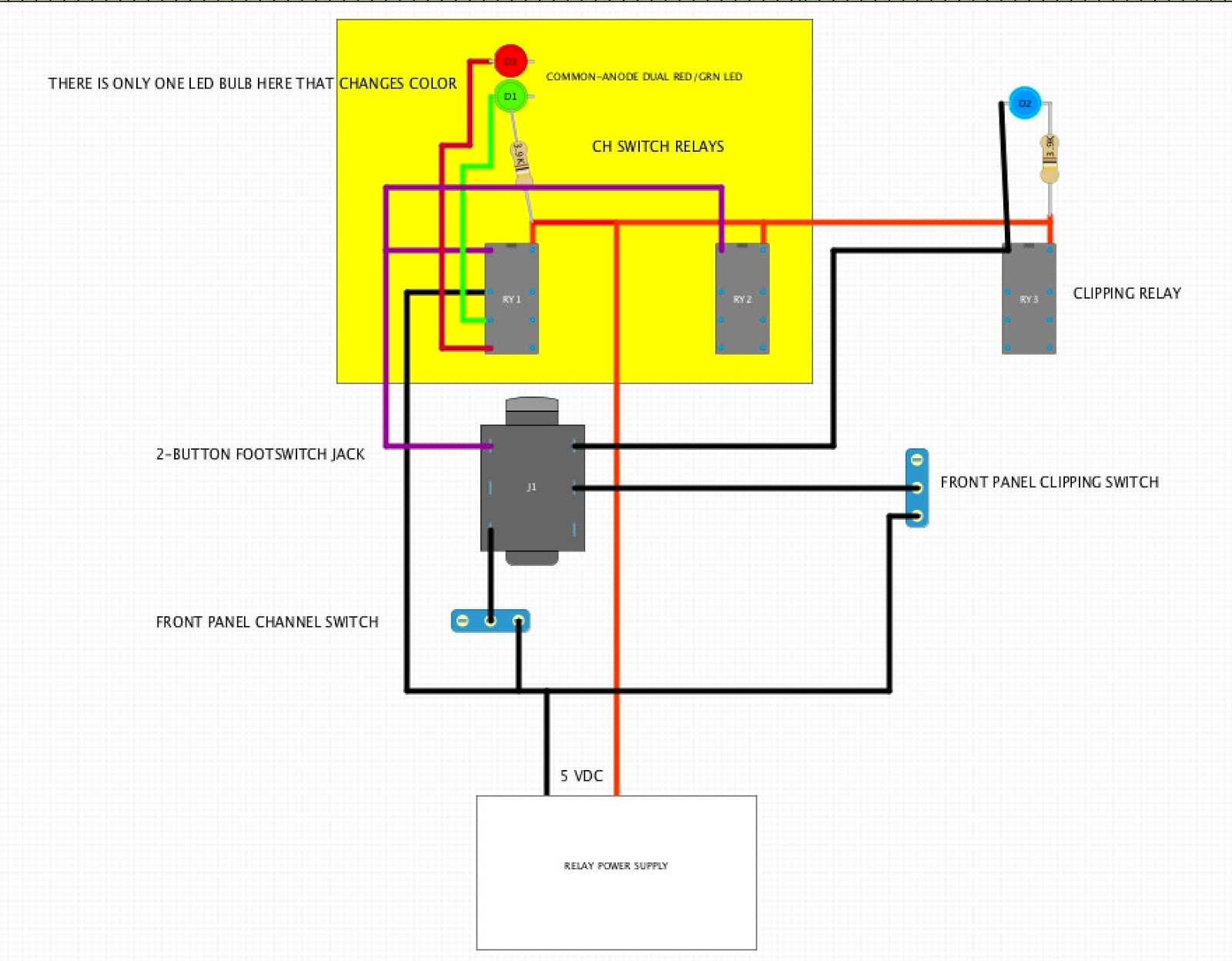
I just discovered dual red/green LEDs. I'm using relays to simultaneously switch channels and tone circuits as well as engage diode clipping on a 2-button footswitch as well as individual panel mini-switches. Could I use one side of a relay and a common anode LED to change colors (Green-CLEAN/Red-DISTORTION)? How about this?

Image

I'm not sure if that would be noisy or not. Thanks for looking.
Just plug it in, man.
sluckey
Posts: 3528
Joined: Sun Jul 22, 2007 7:48 pm
Location: Mobile, AL
Contact:

Re: Proper switch wiring for dual LEDs

Post by sluckey »

User avatar
ViperDoc
Posts: 1247
Joined: Tue Dec 24, 2019 2:21 am
Location: Idaho

Re: Proper switch wiring for dual LEDs

Post by ViperDoc »

Thanks as always, Sluckey!

What I want is for the channel switch LED light to always be on, defaulted in the green setting. That video showed a common cathode LED that would light up either green or red depending on which lead received voltage. What’s the best way to do that where the relays provide the channel switch and the LED color change and allow the light to always be turned on?
Just plug it in, man.
Post Reply