Tube amp grounding article/info/links

Forum to hold pinned articles with details on FAQ's that fit globally in the forum.

Moderators: pompeiisneaks, Colossal

Dai H.
Posts: 214
Joined: Wed Jan 19, 2005 10:30 pm

Tube amp grounding article/info/links

Post by Dai H. »

I did a quick translation of an article that has helped me gain a better understanding of grounding. (You'll need to look at the original pages to see the diagrams the article refers to.)

my translation of:

(old dead link, not working: http://home.highway.ne.jp/teddy/tubes/tips/b410.htm)

Part 1:

(new current link for original article)

http://www.op316.com/tubes/tips/b410.htm

(article by Tetsu Kimura (RIP))

41. ground circuits part 1

send and return:

When describing a circuit, one often says to "ground" something. So what happens to the signal or current that was grounded? Does the signal or current become connected to ground then just disappear? Of course not. The signal or current that was grounded always returns where it should. The signal or current never forgets where it's supposed to return to. Far short of forgetting, it tries to return to it's source without any particular consideration for where it's flowing. You could say that there is a complicated network of different currents flowing to and fro beyond the various "ground" signals on a schematic. There is always a send and return for signals and currents, and it's just a matter of the return path having travelled through the ground line.

"grounding is hard":

is something that people often say. The reason for this happens when the various send and return paths are not given due consideration and the grounding is done in a random haphazard manner resulting in a current flowing where it shouldn't be thus having a signal show up where it should not be. On a circuit diagram, one can deal with the grounding by simply drawing "ground" symbols and not do anything beyond that, however care must be taken during the actual assembly. As long as the send and return paths are considered when creating the grounding scheme, and the grounds are wired such that no currents flow where they should not, the builder will experience no problems. It is not that grounding is difficult insomuch as builders not understanding the send and return paths of the various signals and currents in the amp.

Circuit paths not shown in the schematic:

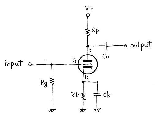
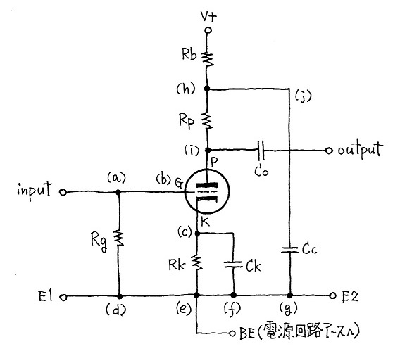
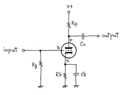
Suppose a one stage amplification circuit as shown below (plate follower, cathode biased). Normally, we are in the habit of thinking that the input signal that goes into the grid is amplified by the triode and shows up at the plate. (diagram 1)

Image

If we want to consider the grounding, this is obviously not enough. If we go further, we end up w/diagram 2.

Image

The signal applied to the input travels the path of:

(input)-(a)-(Rg)-(d)-(E1).

The voltage across Rg is applied across (b)-(f), however since the presence of Ck puts (f) and (c) at the same potential in terms of AC, the input signal voltage is applied between (b)-(c). So the signal current path travels along (input)-(a)-(Rg)-(d)-(E1).

As you should be aware, when the signal voltage is applied between (b)-(c) IOW between G-K, the plate current changes as the input voltage changes. The DC component of the current flowing through the plate travels the path of:

(B+)-(h)-(Rp)-(i)-P(triode)K-(c)-(Rk)-(e)-(BE)

When there is no signal present, this is the only current path that flows through the plate.

However, when an AC signal is applied between G-K, this AC component tries to travel the path of
(B+)-(h)-(Rp)-(i)-P(triode)K-(c)-(Rk)-(e)-(BE), but since Rk is shorted AC-wise by Ck, the AC component tries to travel through Ck and not Rk. Also, since (h)-(g)is shorted by Cc, the AC component does not travel towards B+ but through (h)-(j)-(Cc)-(g)-(f), so therefore the AC component of the plate current forms a loop of:

(i)-(Rp)-(h)-(j)-(Cc)-(g)-(f)-(Ck)-(c)

Since the input voltage amplified as the output AC current develops a voltage across Rp, the loop to tap into to obtain the AC voltage is:

(i)-(Co)-(output)-(E2)-(g)-(f)-(Ck)-(c)

To summarize:

-the input signal voltage loop: (input)-(a)-(Rg)-(d)-(E1)
-the DC component of the plate current: (B+)-(h)-(Rp)-(i)-P(triode)K-(c)-(Rk)-(e)-(BE)
-the AC component of the plate current: (i)-(Rp)-(h)-(j)-(Cc)-(g)-(f)-(Ck)-(c)
-the output signal voltage loop: (i)-(Co)-(output)-(E2)-(g)-(f)-(Ck)-(c)

The key is to wire the grounds such that these four loops don't interfere with each other as much as possible. When the grounding is incorrect, the loops end up interfering w/ea. other leading to the impression that grounding is complicated. Now let's redraw the circuit as follows.(figure3)

Image

Notice that in the diagram(fig.3) no current flows between (d)-(e) and (e)-(f). This is the true nature of ground. No currents flow in the ground, or you could say that the builder should not allow currents to flow in the ground (by mis-wiring, or incorrect grounding).
-------------------------------------------------------------------------------------------------

De-coupling capacitors

What exactly is the purpose of Cc, the de-coupling capacitor? Removing ripple from the power supply? No. The purpose of the de-coupling capacitor Cc is to complete the AC plate (signal) current loop in fig.3 which travels from (i)-(h)-(j)-(f)-(c). 100% of the AC signal current flows through this capacitor. Without it, the amplification circuit is not complete.

Viewed this way, it can be seen that the primary purpose of Cc is not for bypassing from B+ to ground, but to connect the upper end of (Rp), the plate load resistor and K, the cathode. If the value of Cc is small, the low frequency response is restricted. If the quality of the cap is poor, it can have an effect on the sound. Remember that all of the plate signal current travels through the de-coupling cap Cc.

When the de-coupling cap is installed, it must be wired so that it directly connects in a short as distance as possible from a point close to the top of the plate load resistor to the ground point for Ck(the cathode bypass cap), point (f). Routing to say a multi-cap far towards the power supply, for example, would be out of the question. [note: under empirical observation of actual gtr. amp layouts it seems this practice doesn't have to be followed as stringently, but may possibly be different for very high gain situations. -Dai]

There are some builders who after experiencing hum increase the capacitance value of the de-coupling cap, however usually this has no hum-decreasing effect. The ripple (AC) component in the power supply should already have been adequately removed at a point far upstream in the power supply. Most cases of hum do not result from too much ripple in the power supply but from the ripple traveling through some place it should not be.

Where to connect the power supply:
In order for an amplification circuit to function, it needs power to be supplied. Where then, should the power supply be connected? The answer lies in fig.3. The positive end of the power supply should be connected to Rp (the plate resistor). The negative side of the power supply should be connected to (e) near Rk (the cathode resistor) and not (d) or (f).

Moreover, the power supplied to this point must already have had adequate removal of AC ripple. The reason being that if a high amount of ripple still remained when connected to these points, the ripple component would travel through (B+)-(h)-(j)-(Cc)-(f)-(e)-(BE) forming a loop which coincides with the AC plate current loop making a problem. If the AC ripple current was large, this would cause a voltage difference between (e)-(f) resulting in hum at the amp output. (Another problem would be) if the de-coupling cap Cc, instead of being connected to (f), was connected proximate to (d); the voltage difference that resulted would result in a large hum at the output, leading to a possible situation of surprise and panic by the builder from encountering a sudden obtrusive unwanted hum. So in such a scenario, instead of blindly increasing the de-coupling capacitor value, the builder should think carefully about the loops and adjust the wiring accordingly.
--------------------------------------------------------------------------------------------------

(old: http://home.highway.ne.jp/teddy/tubes/tips/b420.htm)

http://www.op316.com/tubes/tips/b420.htm

Part 2:

42.Ground circuits part 2

Stereo circuits and grounding

Let's look at fig.3 from part 1. Fig.3 is in monoaural configuration.

Image

What should be done when the circuit is a stereo configured circuit? Should the grounds be separate for left and right, or should they be shared? The first problem the builder encounters is how best to ground near the input circuit. Take a look at fig.5 below.

Image

Say an amp output was connected to a stereo configured input stage using the circuit shown in fig.3 for the left and right sides. The previous amp's output has separate L-CH and R-CH outputs, so when connecting these outputs to our input stage (using the fig.3 in stereo circuit) the grounds are split into two before reaching the input stage. The separate ground paths are (a)-(b)-(c) and (a)-(d)-(c).

So we encounter a very incongruous situation. What was previously a single ground has now been split into two. In part 1, it was written that a signal has a send and a return. Now, is the L-CH return path (c)-(b)-(a)? Yes, but this isn't the only path you see is it? The L-CH signal return also travels through (c)-(d)-(a). Likewise for the R-CH signal. Weird, isn't it?

This is a problem inherent to unbalanced circuits, and however incongruous it feels, one can only do but tolerate this condition. To correct this condition (where the left and right channel share the ground), the circuit would have to be made into a balanced circuit so the signal send and return and ground can be separated--that is the only way to correct the condition where both left and right signal return paths are mixed together through a shared ground. In an unbalanced circuit the left and right channels must share a common ground. Therefore, (the return paths for the left and right signal outputs) must be tied together at (c). (However, the situation differs significantly for a mono configured amp.)

Furthermore, the parts of the ground line (a)-(b)-(c)-(d) form a physical loop. If (in a situation such as this) the magnetic flux lines from the power transformer intersect with this loop, the loop (since it is a loop) acts as a coil and this can result in hum induction from the ground line itself (through induction). (The hum induced here is proportional to the loop area.) Therefore, the two cables must be kept as close to each other as possible. They can pick up hum (have hum induced on them) just by physically separating them and making a loop. The primary principle is not to create a loop with the ground line. If this cannot be avoided, try to keep the loop as small as possible.
------------------------------------------------------------------------------------------------
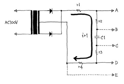
The return circuits for the power supply:
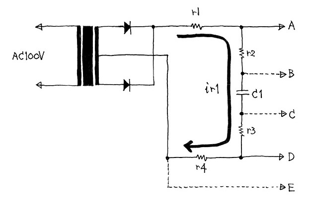
Now let's think about the send and return path for the currents in the power supply. Take a look at fig.6.

Image

The AC coming from the power transformer goes through a rectification circuit (in this case a half-wave rectifier using one diode) into C1 which is part of the first ripple filter. C1 experiences a significantly large amount of ripple current. This ripple current travels through the loop of:

(a)-(b)-(C1)-(e)-(f)

Next, it travels through ripple filter Rf and C2. The residual ripple that was left after going through C1 is bypassed to ground here, so C2 also experiences a large amount of ripple current. This ripple current path travels through:

(b)-(c)-(C2)-(d)-(e)

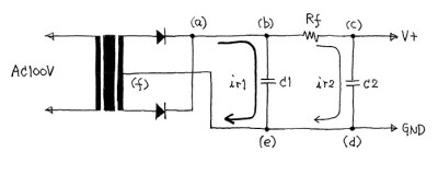
In order to effect ripple removal most efficiently from this two stage ripple removing circuit, how should things be wired? C1 and C2 serve to remove ripple by shorting the AC ripple to ground. And since resistance exists in wiring (although it is very small), a voltage drop takes place between (C1)-(e) and (e)-(f). Therefore, re-drawing fig.6 into fig.7 and wiring as shown in fig.7 makes for the most effective ripple removal.

Image

The portions of the capacitor leads closest to the body is the place where there is the least ripple. As one moves further and further away from this point due to the resistance of the leads, one will find more ripple. There is in fact a difference even along the points of the same lead. Copper wiring used for building amps typically has a resistance of 30 to 150 milliohms per meter. Therefore, that makes for approximately 3 to 15 milliohms for a 10cm length of wiring, and if 100 milliamps of ripple current travels through this line, an AC voltage drop of 0.3 millivolts to 1.5 millivolts takes place. In a ripple filter circuit, although (d),(e),and (f) may appear to be at the same potential, they are in fact not at the same potential.

In fig.7, the immediate ends of C2 experiences the least ripple, so that is the point where the power should be supplied to the amplifier circuits. The ground points further upstream of (d),(e),and (f) are being made unstable by the ripple voltage, and are therefore not suitable to be considered reference points. The correct points from which to supply the power to the rest of the circuit are (B+) and (BE). Looked at in this way, one can see how problematic it can be to star all ground points to a power supply capacitor ground. Such a practice is a vestige of the radio era, where a single multi-cap sufficed for the entire circuit, and is not suitable for a modern high fidelity stereo amp.
------------------------------------------------------------------------------------------------

Summary:
The previous points are summarized as follows in fig.8.

Image

1) The points where both channels' Rks (cathode Rs) and Ccs (de-coupling caps) are grounded should be shared and be made short and w/thick wiring.
2) Individual Ccs should be used for each channel. Do not use a single Cc for both channels.
3) At the point of C2, residual ripple should be well removed.
4) Do not use the ground line from C2 towards the PT for ground points

These are the main considerations. These basic ideas should help prevent hum due to incorrect grounding as well as decrease L/R ch. crosstalk and help to improve other amp specs as well.

As can be seen, deciding how to place grounds and run them can be quite complicated, so the method of placing a main bus line in the center of the circuit is often used. However, even if a super thick low resistance buss is used, if the order of grounds are incorrect, or if a large amount of residual ripple is flowing at a particular ground point, or a ground loop is created, there can still be problems with this method.

Also, a single star grounding method, which tries to do away with getting the order for the ground points correct by bringing all ground points to a single point exists, but it is not physically possible to place all grounds in one spot. If all ground points are placed in one location, this means that very large ripple current points and highly sensitive ground points all share the same location. Some ground points are better placed at one point, but some should not be.

The bus grounding method, and the star grounding method are just different styles of ground placement. Far more important is to understand the mechanisms involved in grounding. When the mechanisms are understood, one does not have to blindly follow a buss or star configuration.
----------------------------------------------------------------------------------------------
(old: http://home.highway.ne.jp/teddy/tubes/tips/b430.htm)

Part 3:

http://www.op316.com/tubes/tips/b430.htm

43.Grounding Part 3

Grounding in a two-stage power amp:

How should the grounding be carried out in a two-stage (or more) amp? We look at an expounded version of fig.3 mentioned previously as a two-stage single-ended amp.

fig.9

Image

The various signal and DC current loops are as follows:

1) input signal loop: (input)-(a)-(Rg1)-(d)-(E1)
2) DC component of the first stage's plate current loop: (B+)-(Rb1)-(Rp)-(triode)-(Rk1)-(BE?)
3) AC component of the first stage's plate current loop: (i)-(h)-(j)-(f)-(c)
4) first stage output and second stage input loop: (i)-(k)-(m)-(f)
5) DC component of the 2nd(output) stage's plate current loopB+)-(Rb2)-(OPT)-(triode)-(Rk2)-(BE?)
6) AC component of output stage's plate current loop: (p)-(OPT)-(q)-(o)-(l)
7) output stage signal output loop: (r)-(SP)-(s)

The most vexing question is how to deal with 2) and 5). The B+ is supplied separately to the two stags, so that can be left as is, but where should BE, the return to the power supply be taken from? The return point to the power supply for the first stage is at (e), while for the output stage it is at (n). However if a return path to the power supply ground from both points is taken, a ground loop is created.

Accordingly we make a compromise. In general current flows are higher towards the output stage, therefore we do not want the high return current from (l) to (n) to BE flowing through other parts of the ground line (where this higher current flow could disrupt other lower current returns). So the return to the power supply is taken from (n). On the other hand, we close our eyes to the current from the input stage cathode flowing from (c) to (e) back to BE flowing through (f), (m), and (n). In such case, the points between (e) and (n) are made as short as possible to keep the voltage difference arising (from the current flow) insignificant enough to be ignored.

Of particular note is how to deal with loops 3) and 6). These signal loops are independantly completed at their respective stages, so the de-coupling caps connecting the power supply and ground need to be made as direct as possible (at respective points (f) and (o)) while being sure not to introduce the AC running through these caps somewhere they should not be.

Along the ground line, the points between (d)-(e), (e)-(f), (m)-(n), (n)-(o), and (o)-(s) are points where current should not flow and the purpose of being a reference point is utmost. By making the aforementioned compromise, a tiny amount of the 1st stage's plate current flows between (e)-(n), however, as long as the de-coupling caps Cc1 and Cc2 are correctly placed, this should not pose a problem.
--------------------------------------------------------------------------------------------------

When applying feedback:

What should be done when feedback is taken from the OT secondary and applied to the first stage's cathode? The answer is simple. Do as shown in fig.10.

fig.10

Image

Feedback is a sort of signal(AC) loop (see 8 ) below), so it should be wired to not share a path it should not in the ground line and isn't sharing a path with other loops. "Feedback should be grounded on the side that it is returned to" is the principle. Therefore the feedback ground at (y) should be grounded back at the cathode at (x). And ideally, (v) to (w) and (y) to (x) should be run alongside ea. other and twisted to keep the loop isolated from external signals. It is very difficult to deal with noise introduced via this loop after the fact.

8 ) the feedback loop: (v)-(RNF)-(w)-(Rk0)-(x)-(y)

Extra attention must be paid in cases such as a DC amp using solid state devices, or tube amps where the OT secondary is used to return fdbk. to the cathode[?] since this sort of grounding is difficult. However the principle of returning feedback to the side that it is returned to remains the same.

--------------------------------------------------------------------------------------------------

Where to make the ground line connection to the chassis

For the previous info applied to a stereo configuration, the left and right side grounds are shared as described in part 2, and the grounding scheme is (almost) complete. Finally, we decide where to connect the ground line to the chassis. The conditions are as follows.

1) a location where the voltage difference from the input ground is small
2) a location where 1) is true and also has a small potential difference from the output ground

So, such a place within fig.10 would be from point (E1) to (x). Point (y) is not much different. Generally it would be (E1) or (x). If the grounding configuration is correctly organized and wayward currents aren't flowing where they should not be, no difference in performance should be experienced using any of the above points.

If all of the previous still was not enough...and you still have hum.:cry:

If the grounds are configured correctly, it's not altogether impossible to have an integrated (pre plus power) amp with a residual hum level of 0.1mV. However, if you still have hum you may have a very low level sensitive signal path crossing somewhere with the leakage flux from the power transformer, or be having the tube itself pick up hum from the heaters, or perhaps the design of the ripple filter was inadequate, and so on which should lead to the suspicion of a cause other than the grounding configuration (since if you followed the advice the grounding scheme should be correct and not be causing the hum problem).
----------------------------------------------------------------------------------

Dai
Attachments
tips17d.gif
tips17d.gif (3.9 KiB) Viewed 30974 times
tips17c.gif
tips17c.gif (2.33 KiB) Viewed 30975 times
tips17b.gif
tips17b.gif (2.08 KiB) Viewed 30976 times
gnd7.jpg
gnd5.jpg
gnd4_from_part_2.jpg
gnd3_from_part_2.jpg
gnd3.jpg
gnd2.jpg
gnd1.jpg
Last edited by Dai H. on Sat May 11, 2024 12:50 pm, edited 34 times in total.
loverocker
Posts: 104
Joined: Thu Mar 03, 2005 11:55 am
Location: England
Contact:

Re: Tube amp grounding article/info/links

Post by loverocker »

Wow Dai - I really appreciate your efforts (and Mr Kimura's). That's definitely one to print-and-keep in the theory file. I've only got about a quarter of the way through it and I'm learning lots.

I can't believe that was a "quick translation"! Thanks for sharing :)
in the wilds of Borneo, and the vineyards of Bordeaux, Eskimo, Arapaho, move their bodies to and fro...
Dai H.
Posts: 214
Joined: Wed Jan 19, 2005 10:30 pm

Re: Tube amp grounding article/info/links

Post by Dai H. »

glad you like it. :) I've gotten a lot out of the article, so I wanted to "pass it on" so to speak since that page is only in Japanese (and machine translations usually suck!).
Last edited by Dai H. on Wed Apr 02, 2008 10:25 am, edited 1 time in total.
loverocker
Posts: 104
Joined: Thu Mar 03, 2005 11:55 am
Location: England
Contact:

Re: Tube amp grounding article/info/links

Post by loverocker »

Dai H. wrote:since that page is only in Japanese (and machine translations usually suck!).
You can say that again. When I went e-shopping for Tokais on J-guitar I used translation software for the pages. I was alarmed to see "Fell Nun Death" and other weird things everywhere. :shock: I found out later that it was just some phonetic was of saying "Fernandes" :)

Back on topic - when I do my Express clone I'll do my own layout using the ideas in that Web site together with KOC's principles. I've had good luck recently with last few builds doing a distributed capacitance thing which gets the relevant filter cap right by the relevant cathode caps. Here's the most recent example:

Image

I'll be taking the same approach with the Express and I'll use that Japanese page info to refine the layout further.
in the wilds of Borneo, and the vineyards of Bordeaux, Eskimo, Arapaho, move their bodies to and fro...
loverocker
Posts: 104
Joined: Thu Mar 03, 2005 11:55 am
Location: England
Contact:

Re: Tube amp grounding article/info/links

Post by loverocker »

Hey Dai - have you built anything using these grounding principles? I've now digested this info, and it's really useful. But it seems to me that 99% of commercial and homebrew amp layouts (well for guitar anyway) do not stick to these principles.
in the wilds of Borneo, and the vineyards of Bordeaux, Eskimo, Arapaho, move their bodies to and fro...
Dai H.
Posts: 214
Joined: Wed Jan 19, 2005 10:30 pm

Re: Tube amp grounding article/info/links

Post by Dai H. »

I've found the article very useful to get you to think about what is going on in the grounds, but I have found that you can do some things a bit differently. For example,
The most vexing question is how to deal with 2) and 5). The B+ is supplied separately to the two stags, so that can be left as is, but where should BE, the return to the power supply be taken from? The return point to the power supply for the first stage is at (e), while for the output stage it is at (n). However if a return path to the power supply ground from both points is taken, a ground loop is created.
So you get a ground loop. BUT, what happens if you keep adding and adding ground loops between those two points? I think they then become a plane, and then the problem goes away. And I think that mechanism explains why the multiple chassis connections that you see in Fenders and Marshalls work (maybe this is what you are thinking of?). You connect those points to such a massive conductor that the loop problem is negated. And I think you see the same thing done on a PCB. I'm not exactly sure at what specific point things become a plane thus negating the ground loop problem though.

So while it may seem different, this principle (if you want to call it that), is still followed though:
In such case, the points between (e) and (n) are made as short as possible to keep the voltage difference arising (from the current flow) insignificant enough to be ignored.
----------------------------------------------------------------------------------
When the de-coupling cap is installed, it must be wired so that it directly connects in a short as distance as possible from a point close to the top of the plate load resistor to the ground point for Ck(the cathode bypass cap), point (f). Routing to say a multi-cap far towards the power supply, for example, would be out of the question.
On this, I've experimented w/wiring as described and moving farther away, and as in the note I added it doesn't seem to have to be followed so exactingly. But for example, some wiring mentioned in the Aiken article, after experimentation I found that things at that point didn't need to be wired exactly as described, so you look at actual layouts and I think you'll find various ways that can work. Basically, the fundamental problem is currents flowing in the ground line. If currents didn't flow, you could connect the grounds anywhichway and you'd have no problems (ground would just be a zero volt reference). In reality, currents do flow in the ground (unless you run the amp on balanced power which cancels out the current flow in the ground). So in the sense that the article gets you to think about this and think about how to handle these currents, I think it's useful. So because of the reality of current flow in grounds "ground is just ground" is not true. It is good to question and think critically though. Look at actual amp ground schemes that are different but still work and try to think about WHY. I still have a lot to figure out though...
loverocker
Posts: 104
Joined: Thu Mar 03, 2005 11:55 am
Location: England
Contact:

Re: Tube amp grounding article/info/links

Post by loverocker »

Interesting point about seemingly random grounding working like a sort of ground plane. I'm not familiar enough with PCBs to understand the role it plays.

This is fascinating stuff. I am going to redo one of my simpler amps using as many of the ideas in this paper as possible. It'll change the layout quite a bit and I'm wondering if the improvement will be significant over what I do now. Maybe not for a low-gain amp like this?

But it might be much more useful for amps with cascaded preamp (like the Trainwrecks)?
in the wilds of Borneo, and the vineyards of Bordeaux, Eskimo, Arapaho, move their bodies to and fro...
Dai H.
Posts: 214
Joined: Wed Jan 19, 2005 10:30 pm

Re: Tube amp grounding article/info/links

Post by Dai H. »

well I suppose if you are doing something wrong there might be an improvement but if things are already correct, maybe not. There just seems to be different but valid approaches. If you look at Paul Ruby's layouts, like this one:

http://www.paulrubyamps.com/MapleWreckGuts.html

(some of his comments)

http://www.paulrubyamps.com/info.html#StarGround

it looks different from the Komet, which looks like it's using the chassis for a number of connections. The Soldano SLO100--bus in some parts, plane on the PCB, star for some points.

Other good stuff:

http://www.aikenamps.com/StarGround.html

Wiring, Interconnection & Grounding

http://www.rane.com/library.html

look at Fig.27, pg.146, in The Radio Handbook, William Orr (editor), 15th edition 1959 on this site:

http://www.pmillett.com/tecnical_books_online.htm

and check out where the grounds are.

I've played w/moving the ground points in a 50W Marshall I have and moving some points made no difference, while others definitely there was a difference in hum and buzz. So wrong is wrong but there does seem to be a range of right. If no difference, then I favor whatever is easier, simpler to work on and service, since there is no point making things more complicated if there is no benefit. I ended up keeping some parts the same as stock and changed others. It's about "LP" quiet but not "CD quiet". You should notice differences when you look at actual gtr. amps from the article too, like the recommendation to have a filter first not connected to anything, but in actual gtr. amps you might often have the first cap out of the rectifier going wham right into the same as a plate current path, but seems to work okay, plus maybe it has to do w/the cap being a path for out of phase AC plate current (pos. and neg. halves of the wave form), so maybe things like that can make a difference.

--------------------------------------------------------------------------------

couple more things I've observed/experienced:
-the output signal voltage loop:
(i)-(Co)-(output)-(E2)-(g)-(f)-(Ck)-(c)
which in this schematic:

http://maximoaudio.com/download/schemat ... fo_cct.jpg

for example would be through the 470pF/47pF through 500k pot returning through the 22uF cap back to cathode. The ground for the 500k pot apparently does not need to be connected in order (ex. a bus of 1.5k ground, 22uF ground, 500k pot ground) but can be returned to the 1Meg ground at the input jack. Using a bus from the 1Meg to all the pot grounds should work. Why it works? I'm not 100% sure, but think that maybe it has to do w/these grounds having super low currents going through them which would have to do w/the idea of tying similar current level returns together (instead of tying a high current w/a very low current sensitive ground and having the high current induce noise in the very low current return). Any extra distance/length in the ground line created seems to not be an issue due to the minute return currents flowing ( = no voltage drop issues as w/the highest current parts of the ground line). So another thing is if you have to stretch part of the ground line for part placement purposes, seems better to stretch a lower current portion of the ground line rather than a higher current portion.

Tying the ground for a fixed bias circuit (as in a 50W Marshall which has bias tapped off one side of the secondary) to the pot bus seems to work fine also. *I think* because 1) keeps with the idea of tying very low current grid grounds together although in this case it's an AC ground due to the bias, and 2) although the bias filter circuit deals w/"raw" AC, maybe the current is so low that the filtering is adequate in removing ripple that it doesn't introduce a noise problem by tying it to very low level returns. However, I think you can also tie this (AC grounded) grid ground to the power tube cathodes ground as in using a star point to connect a gain stage's grid ground, cathode, and de-coupling cap. So you can do as in the previous paragraph and tying to cathode to avoid unnecessary wire lengths. Ex. for the aforementioned schematic, one might use a pot buss for the 1meg, 500k pot, tone stack, but tie the 220k grid loads on the board to a bus on the board.

Check out the pot bus on the Blockhead here:

http://45watt.18watt.com/gallery/albums ... ListPage=4

(and take a look a Soldano SLO100 layout also).

The filament center tap (if one exists) seems quieter when tied to where the B+ center tap is grounded. I guess operative is raw AC (non-filtered), high current.

The spk. jack ground seemed quiet going to power tube cathode ground, but direct to chassis didn't seem to be a big difference IME.

Using the chassis for portions of the ground scheme I think it can be fine w/out any problems but when you have multiple connections to chassis, I think this can make it more difficult to isolate/lift it (using a resistor or whatever) to solve a ground loop problem from multi-amp setups or various grounding issues you may run into.

----------------------------------------------------------------------------

couple more good links:

http://www.hoffmanamps.com/charts/currentflow.htm

http://www.hoffmanamps.com/charts/grounds.htm

http://www.lynx.net/~jc/hum.html

plus some insightful comments by R.G. Keen:

http://www.diystompboxes.com/sboxforum/ ... c&start=15

http://www.geofex.com/Article_Folders/s ... targnd.htm

http://www.harpamps.com/micKdiy/Reducing-Hum.html

http://www.sonic.net/~ktstrain/Groundtutor.htm

more links:

http://www.hottconsultants.com/pdf_files/ground.pdf

http://www.hottconsultants.com/pdf_file ... ctions.pdf

(there is also other interesting stuff on hottconsultants.com too)

http://www.edn.com/article/CA289961.html#ref

http://lhcb-elec.web.cern.ch/lhcb-elec/ ... elding.pdf

http://www.usace.army.mil/inet/usace-do ... 89/c-4.pdf

http://www.engineeringharmonics.com/pap ... ystems.pdf

http://www.ce-mag.com/ce-mag.com/archiv ... E_028.html

http://pacs.ster.kuleuven.ac.be/ISVR/EMC_EMI.pdf

http://www.latticesemi.com/lit/docs/app ... N=98872012

a bunch here:

http://www.compliance-club.com/archive/index.asp

such as:

http://64.70.157.146/archive/old_archive/020918.htm

http://www.lh-electric.4t.com/gnd_loop.htm

--------------------------------------------------

another good link (added 5-14-06) :

http://www.epanorama.net/documents/grou ... rcuit.html

(added 10-1-06)

"Ground and hum.....???? Explain" thread from diystompboxes.com

http://www.diystompboxes.com/smfforum/i ... ic=49928.0

related link discussing balanced line technology:

http://www.dself.dsl.pipex.com/ampins/b ... lanced.htm

---------------------------------------------------------

more links... (9/6/07)

What causes hum and how do I reduce it?

How do I wire my filaments to avoid hum?

http://paulrubyamplification.com/info.html#hum

What is Earth and Signal ground?

http://paulrubyamplification.com/info.html#Ground

-------------------------------------------------------------

10-27-07

How to deal with ground loop when using multi-amp setups and plugging in other devices with 3-prong cord with safety ground such as reverb units and preamps, etc.:

A High Current Safety Loop Breaker Circuit article at Elliot Sound Products

http://sound.westhost.com/earthing.htm

-example of circuit use in production equipment (pair of 6A4 diodes and 15 ohm R) :

http://www.schematicheaven.com/fenderam ... manual.pdf

Why this type of loop breaking circuit is a. perhaps not the best idea, and that b. the 6A4 diodes(rated at 6 amps) may not be adequate when implementing this circuit(12/10/08 ) :

http://music-electronics-forum.com/show ... php?t=9660


------------------------------------------------------------------------------
3/9/08

Randall Aiken (Aiken Amplification) on noise coupling through power transformer windings:

http://music-electronics-forum.com/show ... php?t=5213
-----------------------------------------------------------------------------

When many people look at Fender/Marshall grounding scheme with lots of points tied to chassis, they assume since the numerous points will have a common resistance this will be problematic. However if common R is reduced then the problem from having common R should be reduced, so if the common R among the points is low enough then the common R problem should be reduced or negated. If one thinks of a conductor such a piece of wire or any conductor of a given size as having an R value, then doubling the size should halve the R. Therefore a greater area for the ground should reduce R and thus common R and help negate the common R problem.

-ground is often assumed to be equipotential

-actual R values that exist in the ground line never shown or drawn as "R"s

-very low R values are difficult to measure with an ordinary DVM
------------------------------------------------------------------------------------
3/10/08

Grounds

The way in which "ground" or return connections are made may have a considerable effect on the operation of the circuit. Ideally, all ground connections in the transmitter should have the same r.f. potential. Unfortunately however, all leads, no matter how short, possess some inductance and resistance, and it often happens that two points theoretically grounded may show a difference in potential in practice. The nearest approach to the ideal ground would be a large metal sheet of high conductivity on which all apparatus is mounted, the grounds to the metal sheet being made in all cases with leads of negligible length. In practical construction, a metal chassis makes a satisfactory ground; the large surface reduces both inductance and resistance to very low value in most cases. When such a chassis is used, ground returns should be made directly to the chassis with short direct connections; avoid, if possible, grounding any two circuit elements to the same point on the chassis, and never use a single ground wire for two or more bypass condensers, even though the common ground wire be quite short. With two condensers grounded through the same wire, the wire provides a coupling between the two circuits which the grounding is supposed to avoid.

This principle is illustrated in Fig. 907, adapted for construction on insulating material such as a breadboard. In this case, since no metal ground of large surface is available, it is best to bring all ground connections for each stage to a single point, connections between stages being made also by a single wire between the common ground points. In wooden frames or racks, where several stages may be mounted one above the other, loops and circuitous returns up and down the opposite sides of the frame should be avoided. In such cases, it is advantageous if a coupling system which does not require the ground connections to carry r.f. current is used; for example, link-coupling between stages on different shelves will avoid grounding troubles.

If the transmitter units are mounted on bakelite, pressed wood or plywood base, a satisfactory ground can be made by converting the bottom of the base with a thin sheet of aluminum or copper and making ground to this sheet just as though it were a metal chassis. This type of construction is used in some of the transmitter units illustrated in this chapter.
Poor grounding can account for many transmitter eccentricities, including inadequate excitation in a transmitter layout which on paper has ample driving power, and inability to neutralize a triode amplifier. It is often also responsible for oscillation in screen-grid amplifiers.


from The Radio Amateur's Handbook, by the Headquarters Staff of the American Radio Relay League, 1936, pp.180-181.
--------------------------------------------------------------------------------

12/10/08

new article Thoughts on amplifier hum sources at GEO by R.G. Keen:

http://www.geofex.com/Article_Folders/s ... 20amps.pdf
------------------------------------------------------------------------------------
1/11/09

R.G. on star and ground planes

http://www.diystompboxes.com/smfforum/i ... ic=73351.0
-----------------------------------------------------------------------------------

1/10/10

Merlin Blencowe aka "The Valve Wizard"'s article on grounding:

http://www.freewebs.com/valvewizard2/Grounding.pdf
-----------------------------------------------------------------------------------

1/26/10

"Point to point star ground returns (Routing) thread" at www.prodigy-pro.com diy forum:

http://www.prodigy-pro.com/diy/index.php?topic=33819.0
Last edited by Dai H. on Mon Jan 25, 2010 8:35 pm, edited 13 times in total.
Snapcase
Posts: 41
Joined: Fri Jul 08, 2005 9:12 am
Location: Madrid, Spain.

Re: Tube amp grounding article/info/links

Post by Snapcase »

:shock: :shock: :shock: It would take a year and a half learning all this info...

Great stuff, Dai H. :lol:

Thanks a lot.
loverocker
Posts: 104
Joined: Thu Mar 03, 2005 11:55 am
Location: England
Contact:

Re: Tube amp grounding article/info/links

Post by loverocker »

Hey Snapcase - thanks for bumping this thread - I missed Dai's last posting!

Dai - thanks for sharing all of that stuff. Looks like I've got some reading to do :)
in the wilds of Borneo, and the vineyards of Bordeaux, Eskimo, Arapaho, move their bodies to and fro...
Dai H.
Posts: 214
Joined: Wed Jan 19, 2005 10:30 pm

Re: Tube amp grounding article/info/links

Post by Dai H. »

no problem guys, I hope it helps a little bit at least. Was thinking aobut this stuff the other day, and it occured to me that you could maybe think of a bus as a stretched out star. If you star a number of ground points, they end up on top of ea. other, a. b. c. d....etc.(think of them as vertical lugs stacked on top of ea. other). If you stretched them out a--b--c--d as a bus and kept the resistance between the points low by using thick wire, maybe they are like the same thing.
Dai H.
Posts: 214
Joined: Wed Jan 19, 2005 10:30 pm

Re: Tube amp grounding article/info/links

Post by Dai H. »

another slight thing is that since I've found this stuff:

http://news.thomasnet.com/images/large/ ... 465602.jpg

I've had a bit of a fixation with it, trying to think how it could be incorporated in a fresh or existing layout to keep resistance in the ground line (ultra?) low. It also comes sheathed/insulated (I've seen green and black) or you could insulate with heatshrink. Due to its flat, lower profile you can fit it under wires or against the sides of the chassis (can be "kept out of the way" better than a big round insulated wire). If you choose a larger size it should help keep resistance low. In general low resistance ground is good (example: Dr.Z has his alu chassis undergo some process called "chromate conversion" which is meant to increase conductivy close to that of copper--so copper is a better conductor apparently), but might be overkill. The thing in the Komet where an insulated wire was used to shield the slow/fast switch was also neat too. Looks clean. Another little idea.
Finom1
Posts: 35
Joined: Mon Mar 28, 2011 11:50 pm

Re: Tube amp grounding article/info/links

Post by Finom1 »

Does anyone hve any layout diagrams of proper Star Grounding for a Guitar Tube Amp?

Most of the links here are dead!!!

Thanks.
User avatar
martin manning
Posts: 14308
Joined: Sun Jul 06, 2008 12:43 am
Location: 39°06' N 84°30' W

Re: Tube amp grounding article/info/links

Post by martin manning »

See Blencowe’s Valve Wizard site: http://www.valvewizard.co.uk/Grounding.html
User avatar
M Fowler
Posts: 14036
Joined: Wed Jan 16, 2008 2:19 am
Location: Walcott ND

Re: Tube amp grounding article/info/links

Post by M Fowler »

For a Marshall style build.
Larry Ground Scheme.jpg
Hoffman Amps grounding info:
groundscheme.jpg
ChassisGrounds_small.png
Post Reply