[img:800:581]http://i15.photobucket.com/albums/a352/ ... ematic.jpg[/img]
[img:800:581]http://i15.photobucket.com/albums/a352/ ... tic001.jpg[/img]
[img:800:581]http://i15.photobucket.com/albums/a352/ ... tic002.jpg[/img]
Search found 14 matches
- Tue May 11, 2010 11:18 am
- Forum: Dumble Discussion
- Topic: Greetings, thoughts on loud and clean Dumble style amps(SSS)
- Replies: 17
- Views: 3833
- Tue May 11, 2010 11:17 am
- Forum: Dumble Discussion
- Topic: Greetings, thoughts on loud and clean Dumble style amps(SSS)
- Replies: 17
- Views: 3833
Re: Greetings, thoughts on loud and clean Dumble style amps(SSS)
So, the wrong fuse was the problem upon turn on. I have got the amp up and running, though I probably have a little tweaking to do. This chassis is not exactly conducive to doing exactly what I want and I ended up removing the presence control and putting ing a master volume instead. I wired up a re...
- Sun May 09, 2010 9:36 pm
- Forum: Dumble Discussion
- Topic: My Take on the Dumble sound, Executed Differently.
- Replies: 17
- Views: 3110
Re: My Take on the Dumble sound, Executed Differently.
That is way cool. I have used two transformers to create a similar ps, for some tube synth stuff, but it never occurred to me to just use one with multiple windings.
Very nice!
Very nice!
- Sun May 02, 2010 10:29 pm
- Forum: Dumble Discussion
- Topic: Greetings, thoughts on loud and clean Dumble style amps(SSS)
- Replies: 17
- Views: 3833
Re: Greetings, thoughts on loud and clean Dumble style amps(SSS)
What a relief, the fuse was the problem. Initial impressions are that this amp sounds pretty good, though I will know better when I get it to my practice space later in the week. I have done my testing and firing up with a not too well matched used pair of Sovtek 6550's. I have a less used and bette...
- Sun May 02, 2010 6:36 pm
- Forum: Dumble Discussion
- Topic: Greetings, thoughts on loud and clean Dumble style amps(SSS)
- Replies: 17
- Views: 3833
Re: Greetings, thoughts on loud and clean Dumble style amps(SSS)
I was leaning in that direction. I will probably straighten it out later tonight or tomorrow.
- Sun May 02, 2010 1:59 pm
- Forum: Dumble Discussion
- Topic: Greetings, thoughts on loud and clean Dumble style amps(SSS)
- Replies: 17
- Views: 3833
Re: Greetings, thoughts on loud and clean Dumble style amps(SSS)
I was finishing up(or so I thought) this morning and everything looked good. Bias is there, I put the rectifier tubes in, and voltages on the appropriate pins were where they should be with no tubes. I had also checked all grounds, and just about everything I could think of. I put the tubes in and p...
- Sun Mar 28, 2010 8:09 pm
- Forum: Dumble Discussion
- Topic: Greetings, thoughts on loud and clean Dumble style amps(SSS)
- Replies: 17
- Views: 3833
Re: Greetings, thoughts on loud and clean Dumble style amps(SSS)
I don't think you get any less voltage drop. You generally use more rectifiers if one isn't rated for the current you need.
The amp should sag a little less and one can also use twice the capacitance following the rectifiers. I will probably just go with diodes.
The amp should sag a little less and one can also use twice the capacitance following the rectifiers. I will probably just go with diodes.
- Sun Mar 28, 2010 5:40 pm
- Forum: Dumble Discussion
- Topic: Greetings, thoughts on loud and clean Dumble style amps(SSS)
- Replies: 17
- Views: 3833
Re: Greetings, thoughts on loud and clean Dumble style amps(SSS)
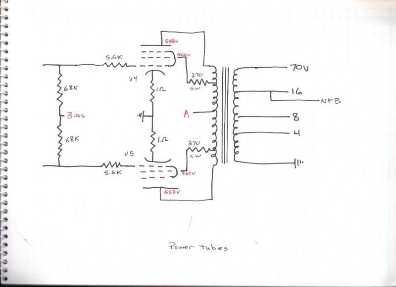
So, below are my hastily traced schematics of the amp, as is. I think the caps are pretty well shot, though the transformers seem to be ok. I didn't measure voltages, because I couldn't get it to run with the rectifiers without blowing a fuse(unless I used a series outlet). The PT puts out 425-0-425...
- Mon Mar 22, 2010 8:36 pm
- Forum: Dumble Discussion
- Topic: Greetings, thoughts on loud and clean Dumble style amps(SSS)
- Replies: 17
- Views: 3833
Re: Greetings, thoughts on loud and clean Dumble style amps(SSS)
It is actually not quite a Mk III. They didn't have 2 rectifiers or a voltage regulator tube. They also used a 6an8, which is half pentode, half triode. This has a 12au7 and a 12bh7. Obviously the caps need to go, but I am afraid my friend just couldn't leave well enough alone and started playing wi...
- Mon Mar 22, 2010 1:26 am
- Forum: Dumble Discussion
- Topic: Greetings, thoughts on loud and clean Dumble style amps(SSS)
- Replies: 17
- Views: 3833
Re: Greetings, thoughts on loud and clean Dumble style amps(SSS)
Hmm, maybe that site doesn't allow hotlinking. Here is the link, scroll down a little:
http://jschreckengost.wordpress.com/
http://jschreckengost.wordpress.com/
- Mon Mar 22, 2010 1:25 am
- Forum: Dumble Discussion
- Topic: Greetings, thoughts on loud and clean Dumble style amps(SSS)
- Replies: 17
- Views: 3833
Re: Greetings, thoughts on loud and clean Dumble style amps(SSS)
I still haven't gotten around to my project, but I may get moving on it soon. An interesting amp sort of fell into my lap. A friend of mine was given a home made mono block hi-fi amp. He managed to cause it to stop working(turned bias pot until fuse blew). Anyway he gave it to me to look at. He has ...
- Tue Sep 22, 2009 10:37 pm
- Forum: Dumble Discussion
- Topic: Greetings, thoughts on loud and clean Dumble style amps(SSS)
- Replies: 17
- Views: 3833
Greetings, thoughts on loud and clean Dumble style amps(SSS)
Hello, I am more or less new here, though I have been lurking for a while. My background is in sound reinforcement and audio installation, though nowadays I seem to spend more time working on nurse call and fire alarm equipment. Anyway, I play guitar and have worked on my own amps for years now, and...
- Tue Sep 22, 2009 11:07 am
- Forum: Dumble Discussion
- Topic: Dumble Overdrive Deluxe?
- Replies: 65
- Views: 19267
- Sat Apr 11, 2009 12:21 pm
- Forum: Dumble Discussion
- Topic: SSS - Nukular Warhead - Chassis are Finished
- Replies: 268
- Views: 69851
Re: SSS - Nukular Warhead - Chassis are Finished
[/quote] The ones I have been in and the ones I have seen shots of all used 6 position rotary switches ala gibson varitone, as far as i know an 11 position rotary switch does not/has never exist(ed).[/quote] I have been lurking here for a while, but this seems as good a place as any to jump in. I ha...